Ticker

6/recent/ticker-posts

Advertisement

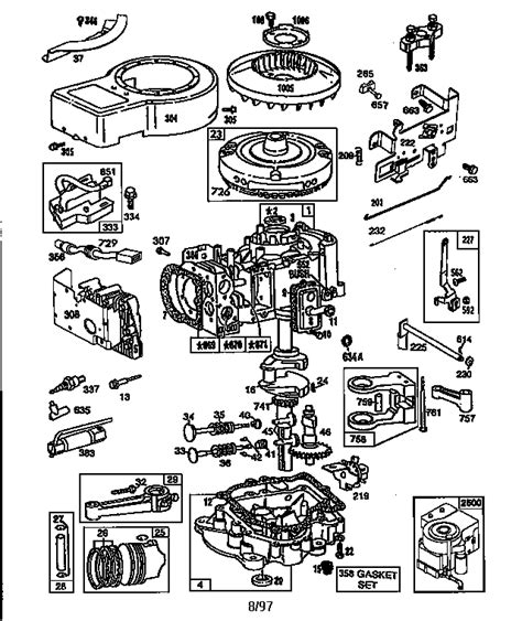
eBook Briggs And Stratton Yard Man Manual

Currently you are looking regarding an Briggs And Stratton Yard Man Manual example of which we provide here within some kind of document formats such as PDF, Doc, Energy Point, as well as images of which will make it simpler for you to create an Briggs And Stratton Yard Man Manual yourself. For a better look, you can open several examples below. All of the illustrations about Briggs And Stratton Yard Man Manual with this site, we get from many sources so you could create a better record of your own.

If the search you obtain here does not complement what you are looking for, please utilize the lookup feature that we have provided here. You are usually free to download something that we provide right here, it will not cost you the particular slightest.

DOWNLOAD HERE

Everybody knows that reading Briggs And Stratton Yard Man Manual is beneficial, because we could get enough detailed information online through the reading materials. Technologies have developed, and reading Briggs And Stratton Yard Man Manual books might be far easier and simpler. We can read books on the mobile, tablets and Kindle, etc. Hence, there are many books being received by PDF format.

Listed below are some websites for downloading free PDF books to acquire as much knowledge as you wish. These days everybody, young and older, should familiarize themselves along with the growing eBook market. Ebooks and eBook visitors provide substantial benefits more than traditional reading. Ebooks cut down on the use of paper, as advocated by environmental enthusiasts. There are no fixed timings for study. There is usually no question of waiting-time for new editions. There is no transportation to be able to the eBook shop. Typically the books in a eBook shop can be downloaded instantly, sometimes for free, sometimes to get a fee.

Not just that, the online edition of books are usually much cheaper, because publication homes save on their print and paper machinery, the benefits of which are given to to customers. Further, the particular reach of the eBook shop is immense, allowing someone living in Quotes to source out to be able to a publication house within Chicago. The newest craze in the online eBook world is exactly what are known as eBook libraries, or eBook packages. An eBook package deal is something out of the ordinary. This consists of a large number of ebooks bundled together that are not really easily available at one solitary place. So instead of hunting down and purchasing, say 100 literary timeless classics, you can purchase an eBook package deal which contains all these ebooks bundled together. These kinds of eBook libraries typically provide a substantial savings, and are usually offered within a variety of formats to suit your brand of eBook reader. Large companies, such as Amazon or Barnes and Noble, tend to not really carry these eBook libraries. If you want to be able to buy one of these libraries, you will have to be able to find independent eBook stores. These independent eBook stores typically package the eBook libraries by genre, and have a lot of genres.